广东省深圳市灼烁区玉塘街道田寮社区光侨路97国际-至尊品牌游戏官方网站智造工业园
97国际-至尊品牌游戏官方网站
成都会鹰诺实业有限公司
惠州市鼎力大举智能科技有限公司
深圳邦普医疗装备系统有限公司

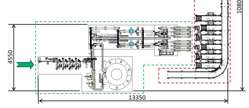
接纳转塔结构实现高速热缩,,,,,,节约占地面积;;;;;;;;
接纳夹爪方法夹取电芯定位,,,,,,兼容钢铝壳电芯。。。。。。。。
自动上料
扫码定位
贴绝缘片机构
套膜机构
热缩机构
尺寸丈量机构
重量丈量机构
外观检测机构
分档下料机构
打包物流线机构
| 形状尺寸 | 单线 L*W*H≤ 13500*5400*2500mm |
| 单机产能 | ≥ 70PPM |
| 适用电芯尺寸 | 直径:30-50mm;;;;;;;;长度:130-200mm |
请填写以下表格,,,,,,我们将尽快与您联系
您的姓名 *
您的公司 *
您的电话 *
您的邮箱 *
您的留言 *
Copyright ? 2024 97国际-至尊品牌游戏官方网站 版权所有
粤ICP备16045761号
